Désolé, Internet Explorer est un navigateur obsolète.

Ce site Web n'est pas compatible.


Passez sur un autre navigateur pour visualiser ce site Web.

+32 28 88 07 22

* Les photos présentées peuvent être non-contractuelles.
Les images, les logos et les marques appartiennent à leurs propriétaires respectifs.

R901096037 - 04523103853500A-VBSN-10A-3:1-35-A - Accessoire

Marque: Bosch Rexroth

Marque Bosch Rexroth
Poids 0,21kg
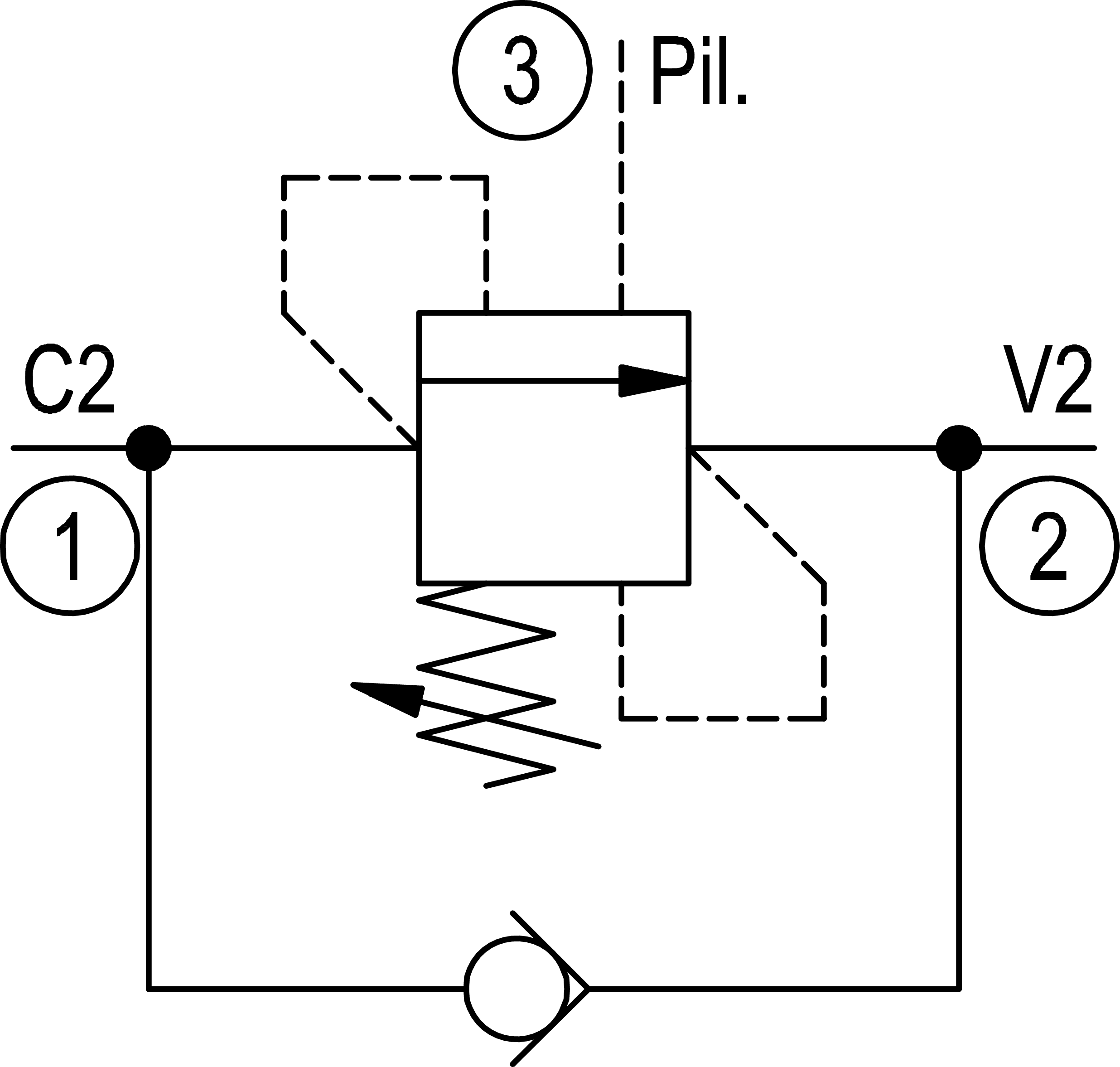
Valve d’équilibrage standard, type clapet, surface différentielle. Pression de régime maximale 350 bar (5000 psi). Débit maximal 60 l/min (16 gpm). Alésage fileté CA-10A-3C. Valves à visser
Stock directement disponible 0 ...
Délai de réapprovisionnement au-delà du stock (jours) 4 ...
  • Basé en Belgique.
  • Le prix juste.
  • Expédition depuis nos stocks.
  • En stock signifie vraiment en stock.

Documentation technique

Fiche technique FRANÇAIS Ouvrir
  • Expédition le jour-même

    Pour les commandes effectuées avant 18h.

  • Les meilleurs prix

    Garantis sur tout notre stock.

  • Un vaste choix

    De produits en stock, toute marque confondue.

Erreur.
Succès.